| СПЕЦИФИКАЦИЯ | BTE189-1000 | |||||
| A | B | C | D | |||
| Инжекционно устройство | Диаметър на шнека | mm | 100 | 110 | 120 | 130 |
| Пропорция на шнека – дължина спрямо диаметър | L/D | 24.3 | 22.1 | 20.2 | 18.7 | |
| Обем на шприциване | cm3 | 4004 | 4844 | 5765 | 6766 | |
| Тегло на шприцоване (PS) | g | 3603 | 4360 | 5189 | 6089 | |
| oz | 127.1 | 153.8 | 183 | 214.8 | ||
| Шприцово налягане | MPa | 211 | 174 | 146 | 125 | |
| Обороти на шнека | rpm | 0-107 | ||||
| Стъпка на шнека | mm | 510 | ||||
| Скорост на шприцоване | mm/s | 91 | ||||
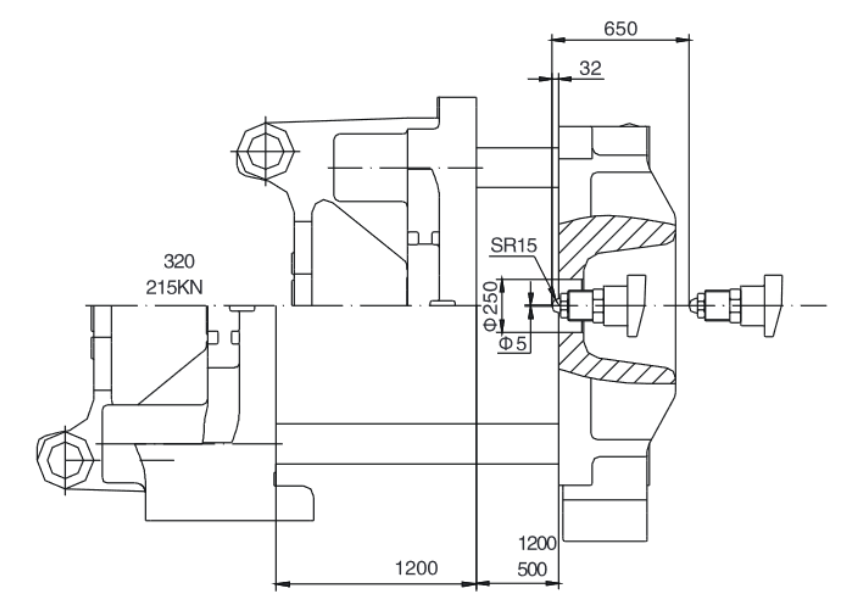
| Затварящ механизъм | Затваряща сила | kN | 10000 | |||
| Ход на отваряне | mm | 1200 | ||||
| Разстояние между колоните | mm | 1120×1120 | ||||
| Размер на неподвижната плоча | mm | 1680×1780 | ||||
| Максимална височина на матрицата | mm | 1200 | ||||
| Минимална височина на матрицата | mm | 500 | ||||
| Ход на изхвърлящият механизъм | mm | 320 | ||||
| Сила на изхвърлящият механизъм | kN | 215 | ||||
| Брой изхвъргачи | N | 21 | ||||
| Други | Максимално налягане на помпата | Mpa | 16 | |||
| Мотор на помпата – мощност | kW | 45+45 | ||||
| Мощност на загряване | kW | 79.35 | ||||
| Габаритни размери | m | 11.90×2.80×4.0 | ||||
| Резервоар на маслото – обем | Liter | 1800 | ||||
| Тегло на машината | Ton | 55 | ||||



