| СПЕЦИФИКАЦИЯ | BTE189-128 | ||||
| A | B | C | |||
|
Инжекционно устройство
|
Диаметър на шнека | mm | 37 | 40 | 43 |
| Пропорция на шнека – дължина спрямо диаметър | L/D | 21.1 | 19.6 | 18.2 | |
| Обем на шприциване | cm3 | 183 | 214 | 247 | |
|
Тегло на шприцоване (PS)
|
g | 164 | 192 | 222 | |
| oz | 5.8 | 6.8 | 7.8 | ||
| Шприцово налягане | MPa | 196 | 168 | 145 | |
| Обороти на шнека | rpm | 0~200 | |||
| Стъпка на шнека | mm | 170 | |||
| Скорост на шприцоване | mm/s | 99 | |||
|
Затварящ механизъм
|
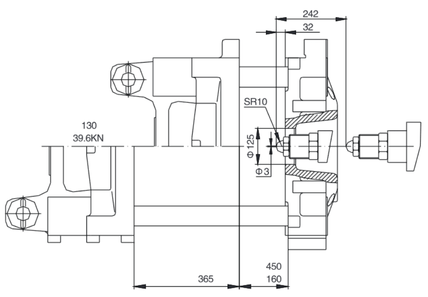
Затваряща сила | Kn | 1280 | ||
| Ход на отваряне | mm | 365 | |||
| Разстояние между колоните | mm | 412×412 | |||
| Размер на неподвижната плоча | mm | 615×615 | |||
| Максимална височина на матрицата | mm | 450 | |||
| Минимална височина на матрицата | mm | 160 | |||
| Ход на изхвърлящият механизъм | mm | 130 | |||
| Сила на изхвърлящият механизъм | kN | 39.6 | |||
| Брой изхвъргачи | N | 5 | |||
| Други | Максимално налягане на помпата | Mpa | 16 | ||
| Мотор на помпата – мощност | kW | 13 | |||
| Мощност на загряване | kW | 9.5 | |||
| Габаритни размери | m | 4.7×1.2×2.0 | |||
| Резервоар на маслото – обем | Liter | 205 | |||
| Тегло на машината | Ton | 4.0 | |||



