|
СПЕЦИФИКАЦИЯ
|
BTE189-160
|
||||
|
A
|
B
|
C
|
|||
|
Инжекционно устройство
|
Диаметър на шнека |
mm
|
40
|
45
|
48
|
| Пропорция на шнека – дължина спрямо диаметър |
L/D
|
22.5
|
20
|
18.8
|
|
| Обем на шприциване |
cm3
|
270
|
342
|
389
|
|
|
Тегло на шприцоване (PS)
|
g
|
243
|
308
|
350
|
|
|
oz
|
8.6
|
10.9
|
12.4
|
||
| Шприцово налягане |
MPa
|
215
|
169
|
149
|
|
| Обороти на шнека |
rpm
|
0-200
|
|||
| Стъпка на шнека |
mm
|
103
|
|||
| Скорост на шприцоване |
mm/s
|
215
|
|||
|
Затварящ механизъм
|
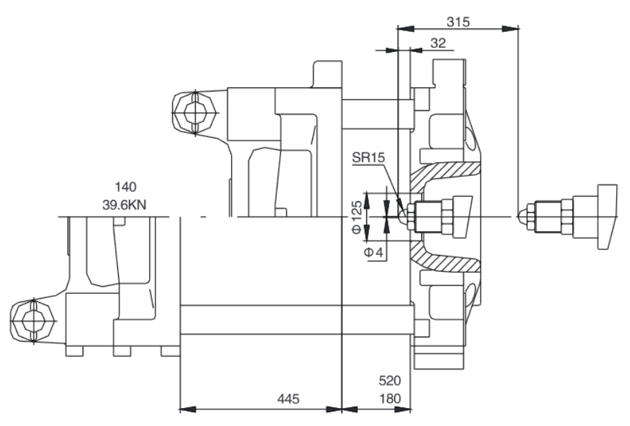
Затваряща сила |
kN
|
1600
|
||
| Ход на отваряне |
mm
|
445
|
|||
| Разстояние между колоните |
mm
|
470×470
|
|||
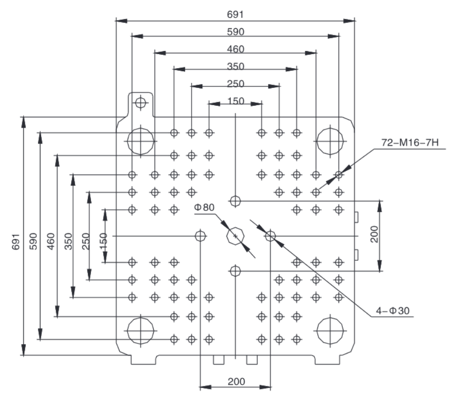
| Размер на неподвижната плоча |
mm
|
691×691
|
|||
| Максимална височина на матрицата |
mm
|
520
|
|||
| Минимална височина на матрицата |
mm
|
180
|
|||
| Ход на изхвърлящият механизъм |
mm
|
140
|
|||
| Сила на изхвърлящият механизъм |
kN
|
39.6
|
|||
| Брой изхвъргачи |
N
|
5
|
|||
|
Други
|
Максимално налягане на помпата |
Mpa
|
16
|
||
| Мотор на помпата – мощност |
kW
|
15
|
|||
| Мощност на загряване |
kW
|
14
|
|||
| Габаритни размери |
m
|
4.9×1.27×2.16
|
|||
| Резервоар на маслото – обем |
Liter
|
245
|
|||
| Тегло на машината |
Ton
|
5.3
|
|||



